返回上一级
字号
大
中
小
打印
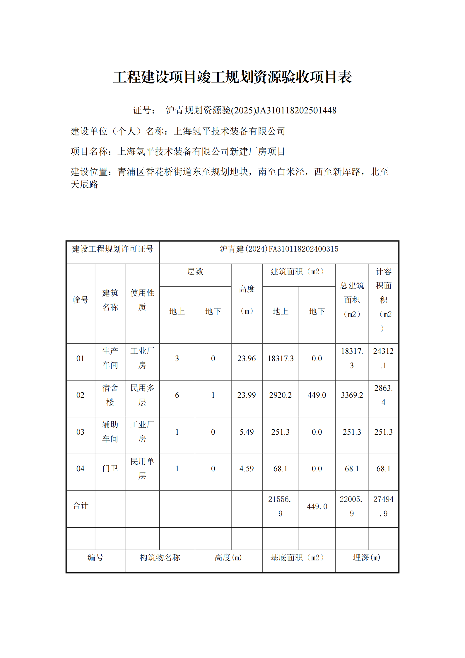
沪青规划资源验(2025)JA310118202501448上海市工程建设项目竣工规划资源验收合格证(上海氢平技术装备有限公司)
2025-09-15