返回上一级

字号

打印

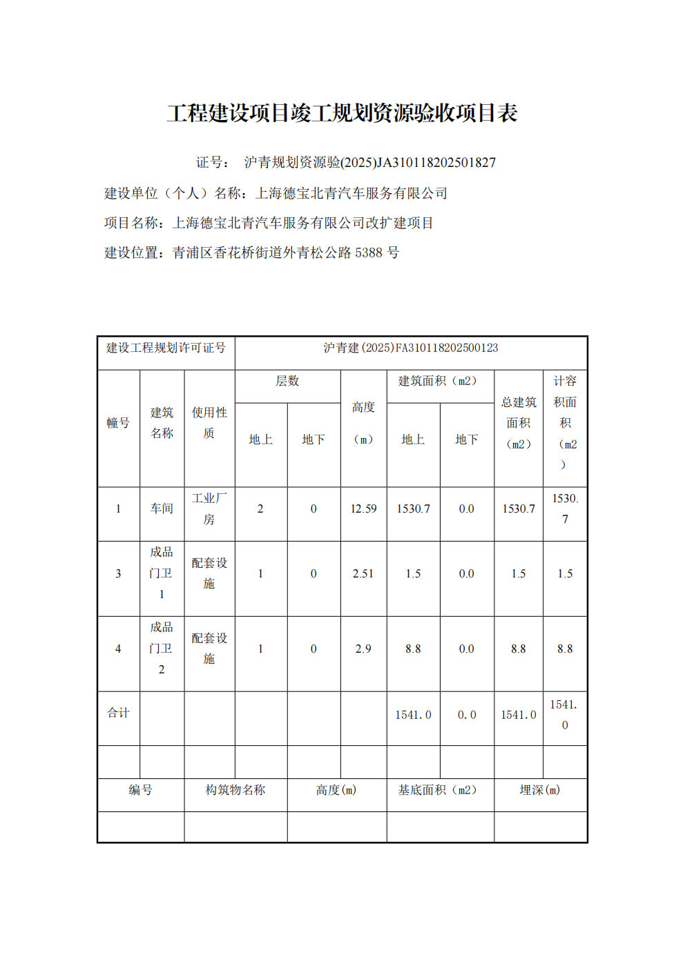
沪青规划资源验 (2025)JA310118202501827上海市工程建设项目竣工规划资源验收合格证(上海德宝北青汽车服务有限公司) 2025-11-18

沪青规划资源验(2025)JA310118202501827_02.png