返回上一级

字号

打印

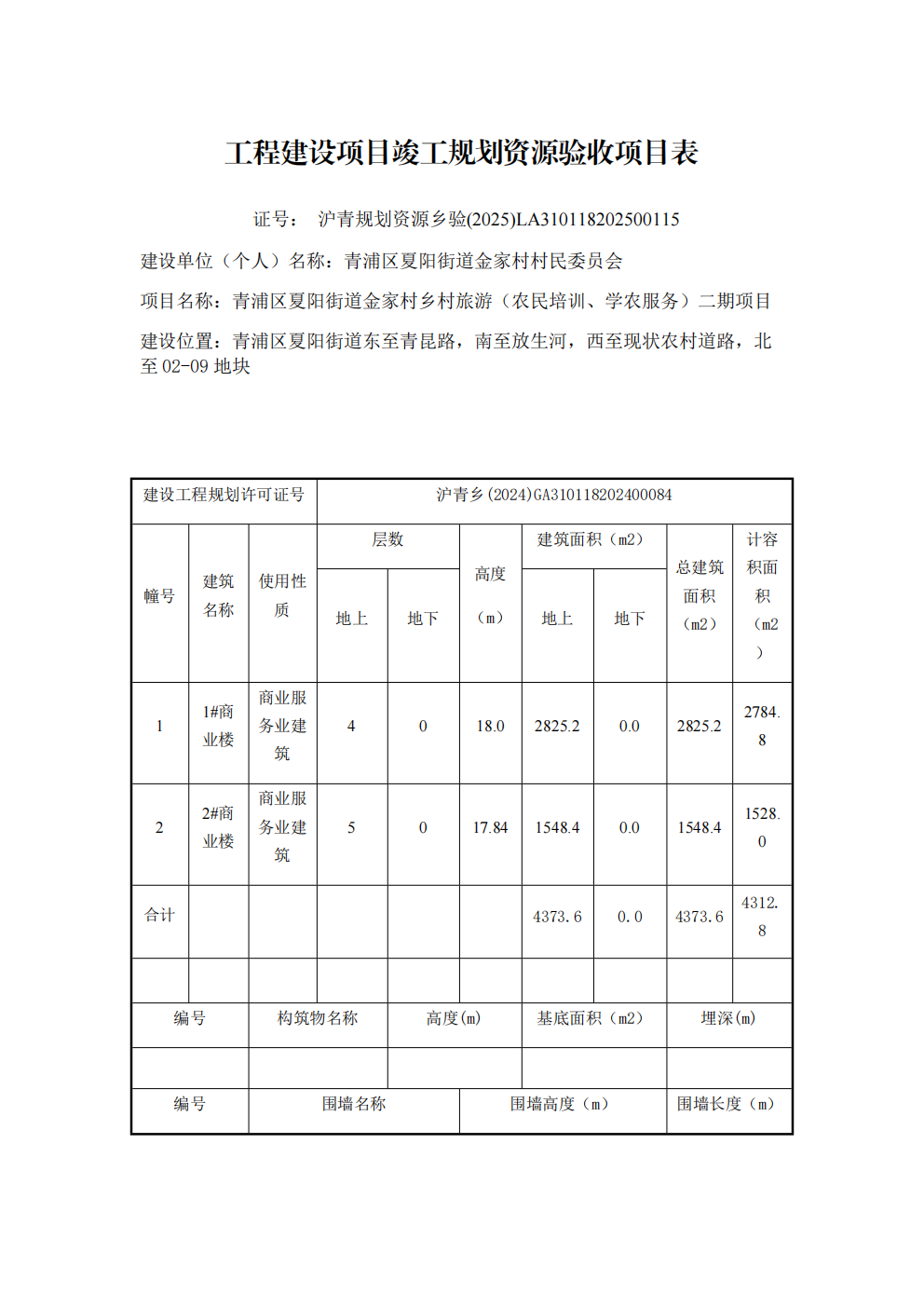
沪青规划资源乡验(2025)LA310118202500115上海市工程建设项目竣工规划资源验收合格证(青浦区夏阳街道金家村村民委员会) 2025-11-26

沪青规划资源乡验(2025)LA310118202500115_02.png