返回上一级

字号

打印

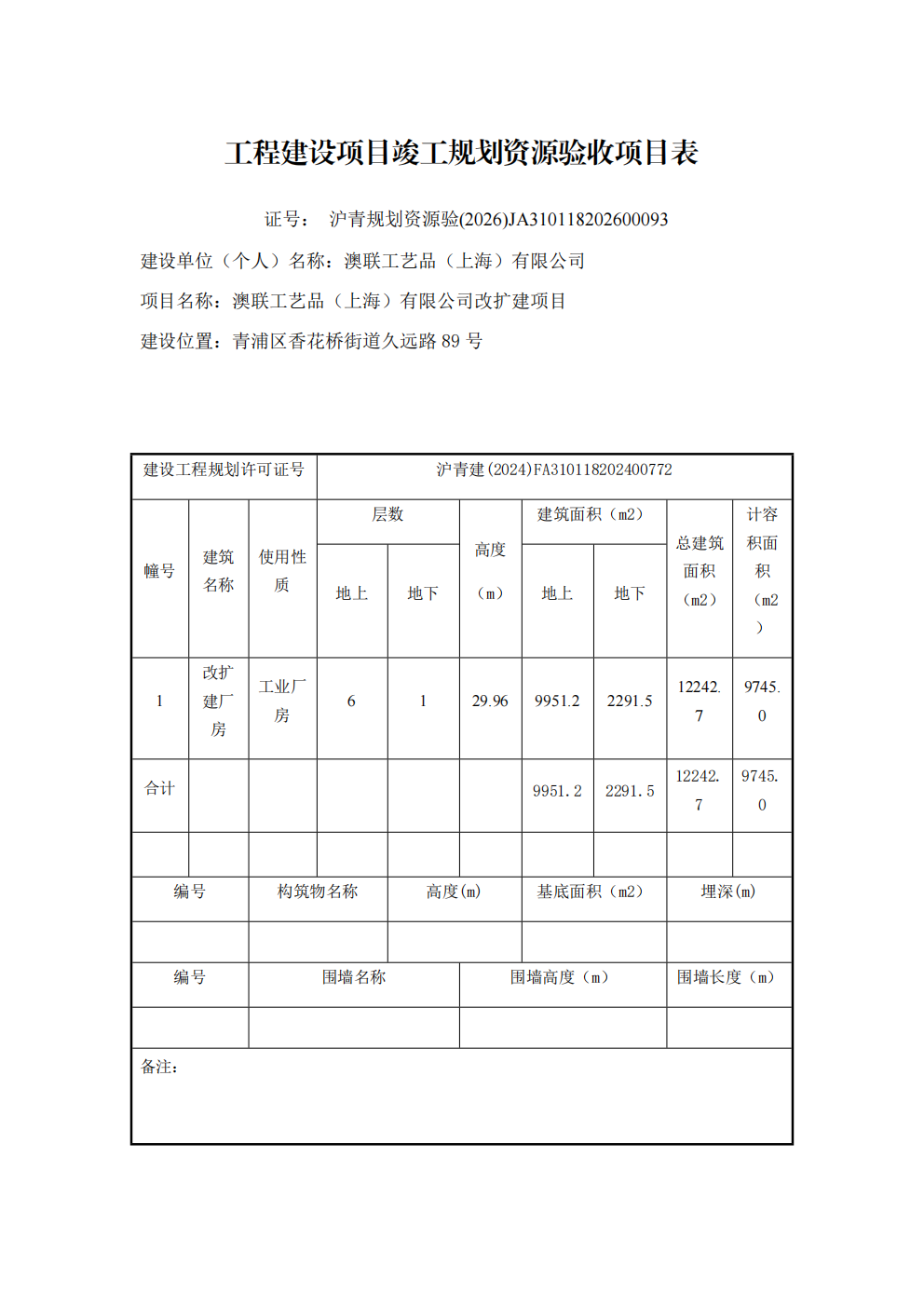
沪青规划资源验 (2026)JA310118202600093上海市工程建设项目竣工规划资源验收合格证(澳联工艺品(上海)有限公司) 2026-01-19

沪青规划资源验(2026)JA310118202600093_02.png