返回上一级

字号

打印

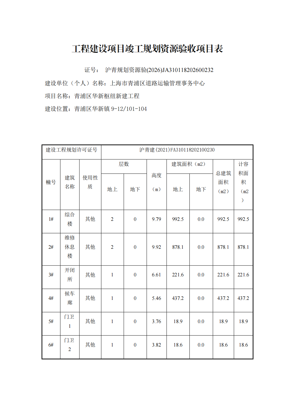
沪青规划资源验 (2026)JA310118202600232上海市工程建设项目竣工规划资源验收合格证(上海市青浦区道路运输管理事务中心) 2026-02-12

验收合格证--建构筑物_02.png

青浦区华新枢纽新建工程竣工图_01.png