返回上一级

字号

打印

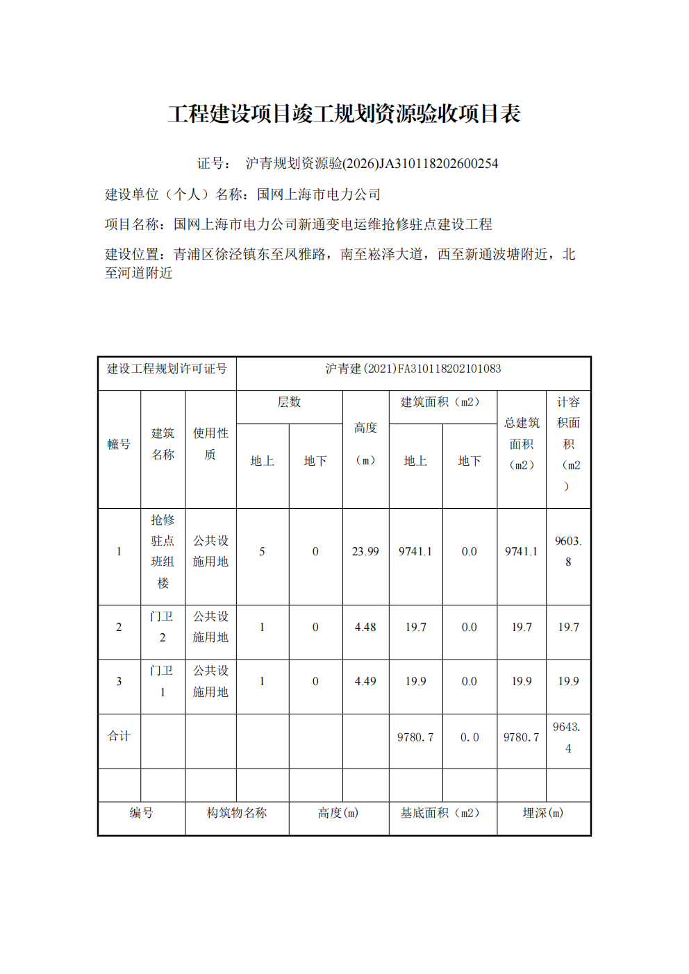
沪青规划资源验 (2026)JA310118202600254上海市工程建设项目竣工规划资源验收合格证(国网上海市电力公司) 2026-02-13

竣工规划资源验收合格证(JA310118202600254)_02.png

总平面图-DW0563BZ-Z01-01总平面图_01.png