返回上一级
字号
大
中
小
打印
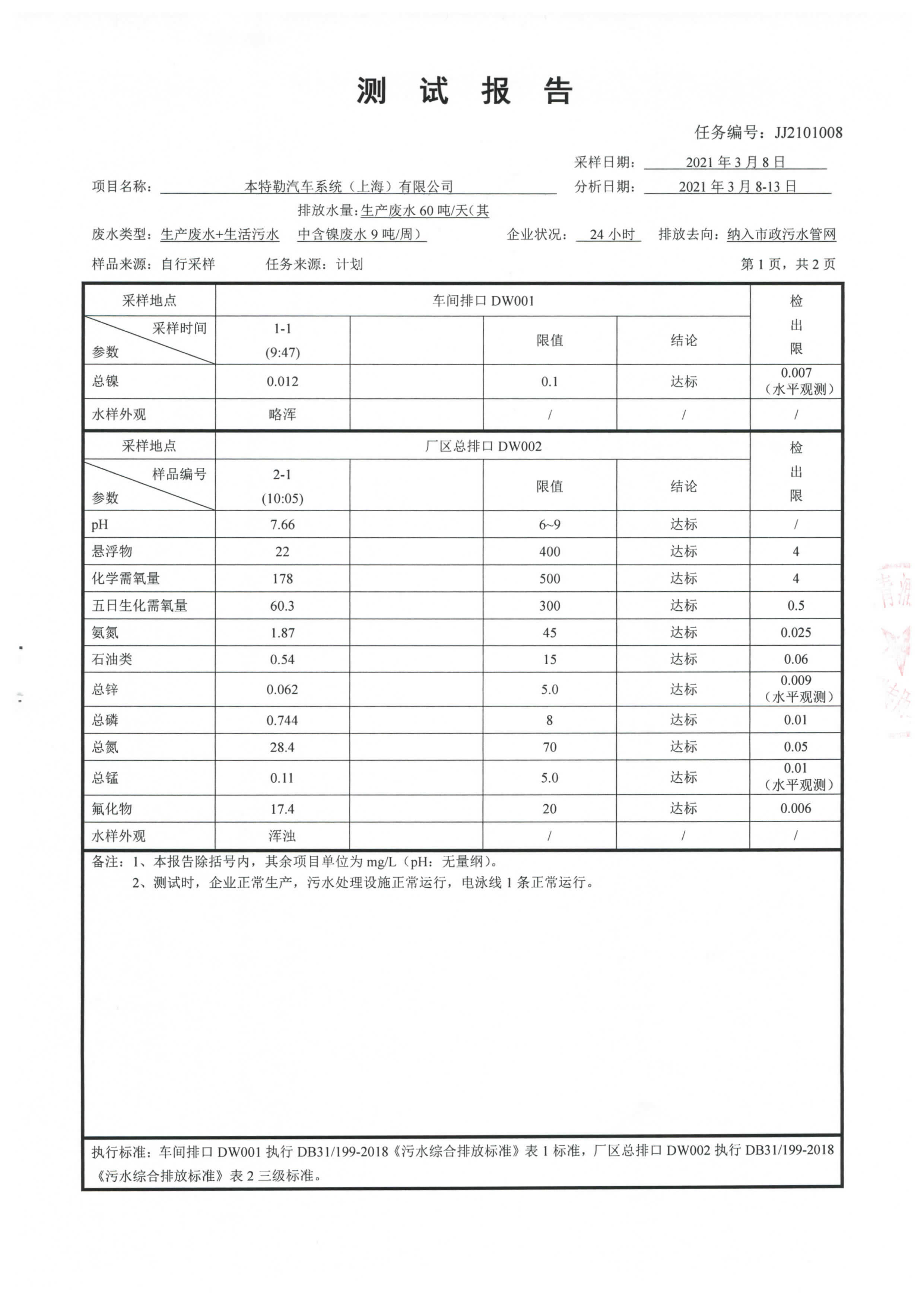
本特勒汽车系统(上海)有限公司)JJ2101008
2021-03-31