返回上一级
字号
大
中
小
打印
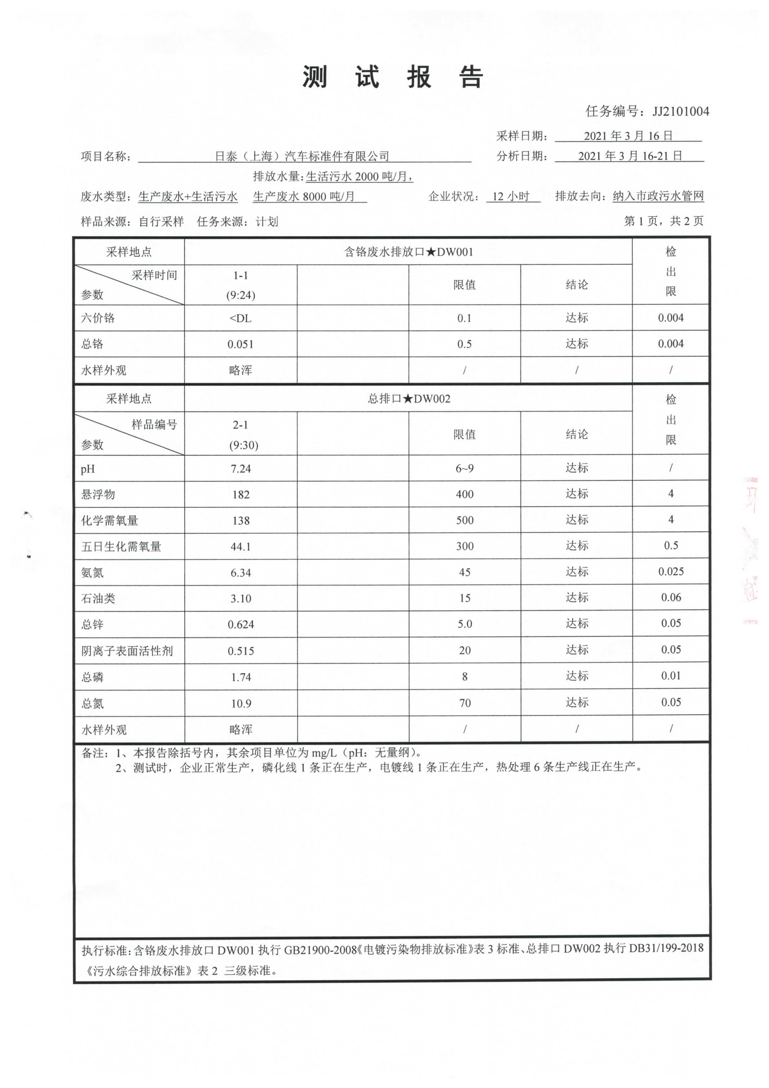
日泰(上海)汽车标准件有限公司JJ2101004
2021-03-31