返回上一级

字号

打印

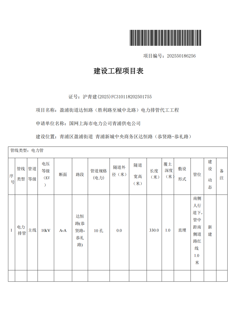
沪青建(2025)FC310118202501755规划许可公告(国网上海市电力公司青浦供电公司) 2025-10-15

根据《中华人民共和国城乡规划法》、《上海市城乡规划条例》等有关规定,现对沪青建(2025)FC310118202501755号建设工程规划许可证及其总平面图进行公开。

国网上海市电力公司青浦供电公司

2025年10月15日

建设工程规划许可证(FC310118202501755)_02.png