返回上一级

字号

打印

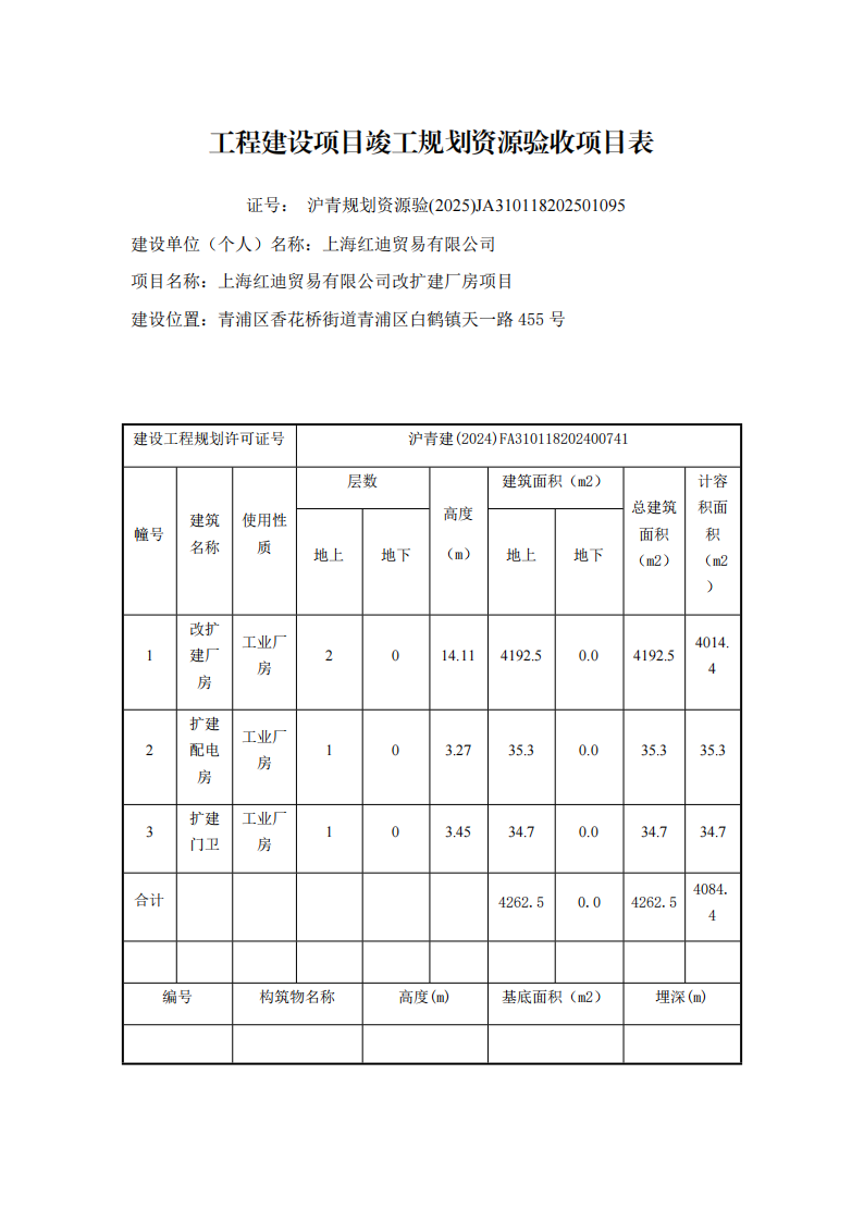
沪青规划资源验 (2025)JA310118202501095上海市工程建设项目竣工规划资源验收合格证(上海红迪贸易有限公司) 2025-07-25

沪青规划资源验(2025)JA310118202501095_02.png

沪青规划资源验(2025)JA310118202501095验收项目表_01.png沪青规划资源验(2025)JA310118202501095验收项目表_02.png