返回上一级

字号

打印

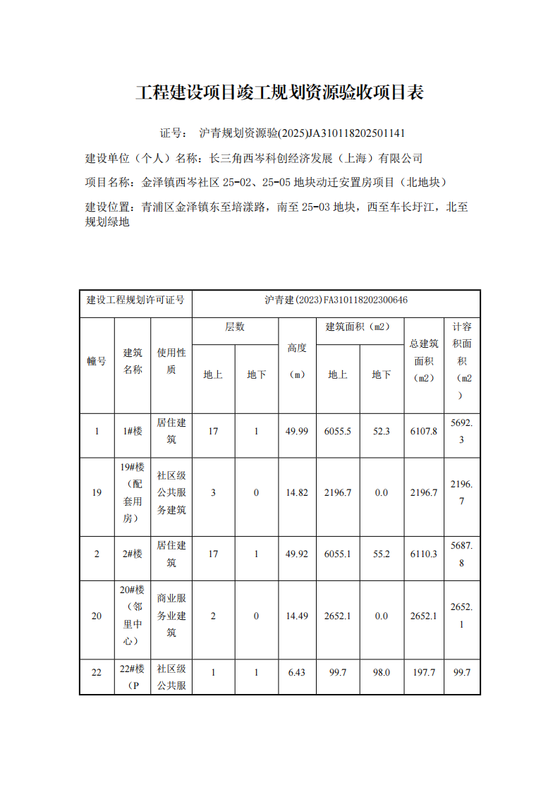
沪青规划资源验 (2025)JA310118202501141上海市工程建设项目竣工规划资源验收合格证(长三角西岑科创经济发展(上海)有限公司) 2025-07-31

沪青规划资源验(2025)JA310118202501141_01.png