返回上一级

字号

打印

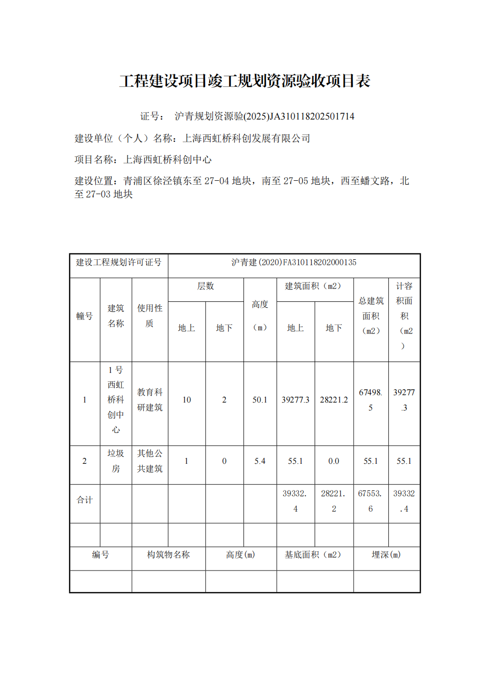
沪青规划资源验 (2025)JA310118202501714上海市工程建设项目竣工规划资源验收合格证(上海西虹桥科创发展有限公司) 2025-10-31

沪青规划资源验(2025)JA310118202501714_02.png