返回上一级

字号

打印

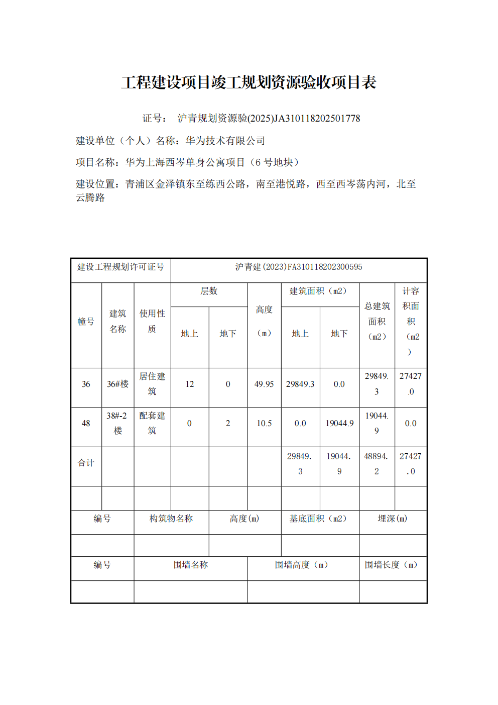
沪青规划资源验 (2025)JA310118202501778上海市工程建设项目竣工规划资源验收合格证(华为技术有限公司) 2025-11-10

沪青规划资源验(2025)JA310118202501778_02.png