返回上一级

字号

打印

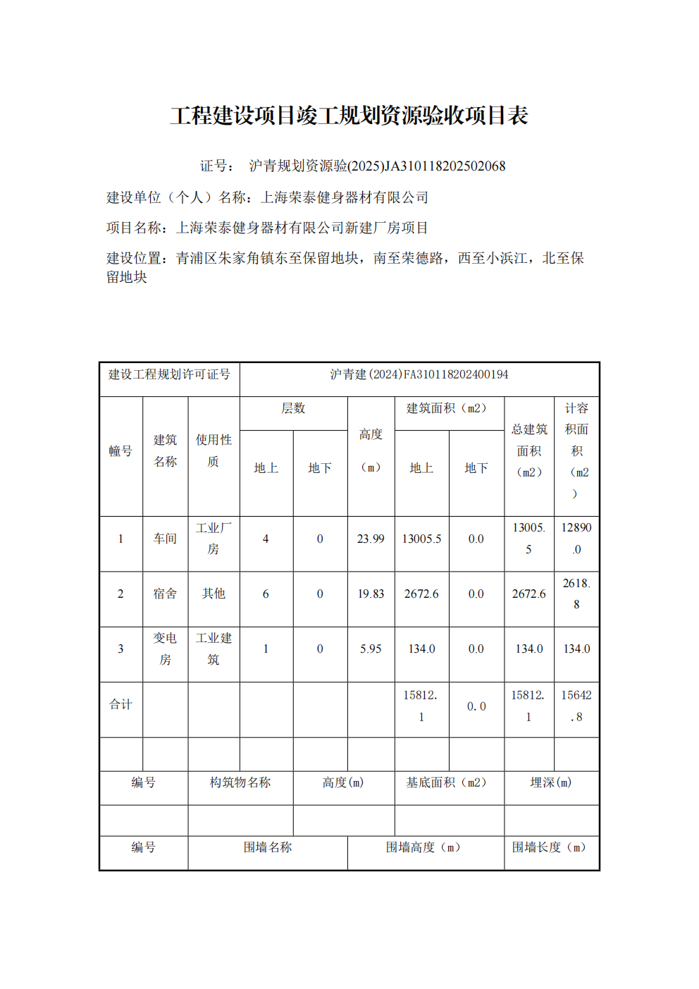
沪青规划资源验(2025)JA310118202502068上海市工程建设项目竣工规划资源验收合格证(上海荣泰健身器材有限公司) 2025-12-24

沪青规划资源验(2025)JA310118202502068_02.png