返回上一级
字号
大
中
小
打印
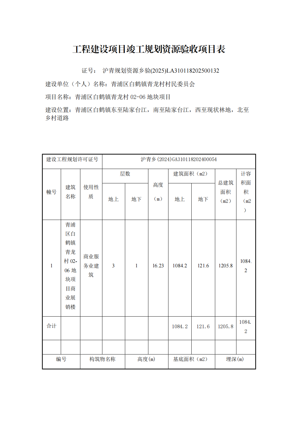
沪青规划资源乡验 (2025)LA310118202500132上海市工程建设项目竣工规划资源验收合格证(青浦区白鹤镇青龙村村民委员会)
2025-12-30