返回上一级

字号

打印

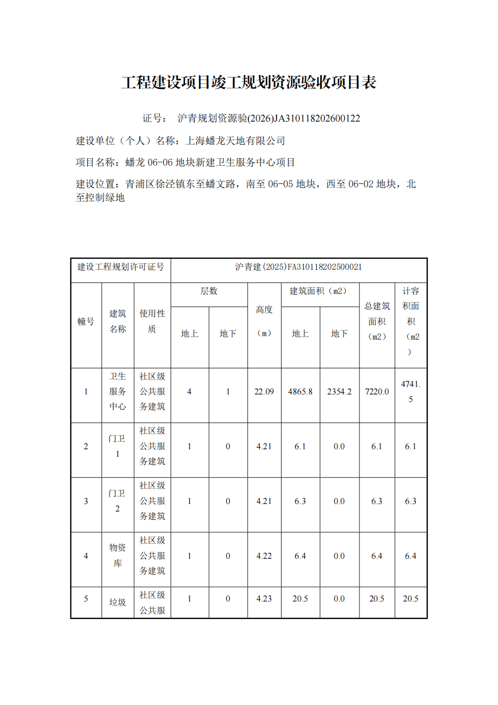
沪青规划资源验 (2026)JA310118202600122上海市工程建设项目竣工规划资源验收合格证(上海蟠龙天地有限公司) 2026-01-26

沪青规划资源验(2026)JA310118202600122_02.png