返回上一级

字号

打印

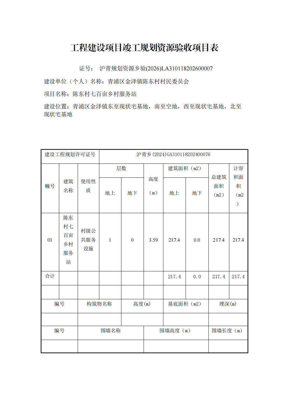
沪青规划资源乡验 (2026)LA310118202600007上海市工程建设项目竣工规划资源验收合格证(上青浦区金泽镇陈东村村民委员会队) 2026-02-03

沪青规划资源乡验(2026)LA310118202600007_02.png