返回上一级

字号

打印

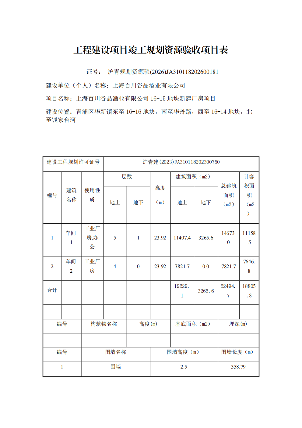
沪青规划资源验 (2026)JA310118202600181上海市工程建设项目竣工规划资源验收合格证(上海百川谷品酒业有限公司) 2026-02-05

沪青规划资源验(2026)JA310118202600181_02.png