返回上一级

字号

打印

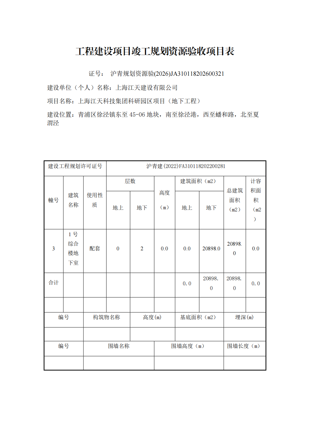
沪规划资源验 (2026)JA310118202600321上海市工程建设项目竣工规划资源验收合格证(上海江天建设有限公司) 2026-03-18

沪青规划资源验(2026)JA310118202600321_02.png