返回上一级

字号

打印

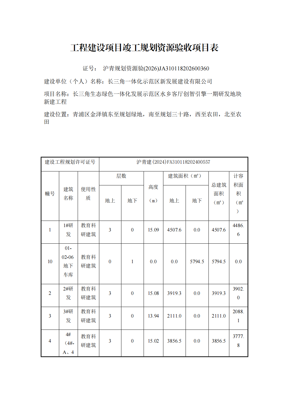
沪青规划资源验((2026)JA310118202600360上海市工程建设项目竣工规划资源验收合格证(长三角一体化示范区新发展建设有限公司) 2026-03-30

沪青规划资源验(2026)JA310118202600360_02.png