返回上一级

字号

打印

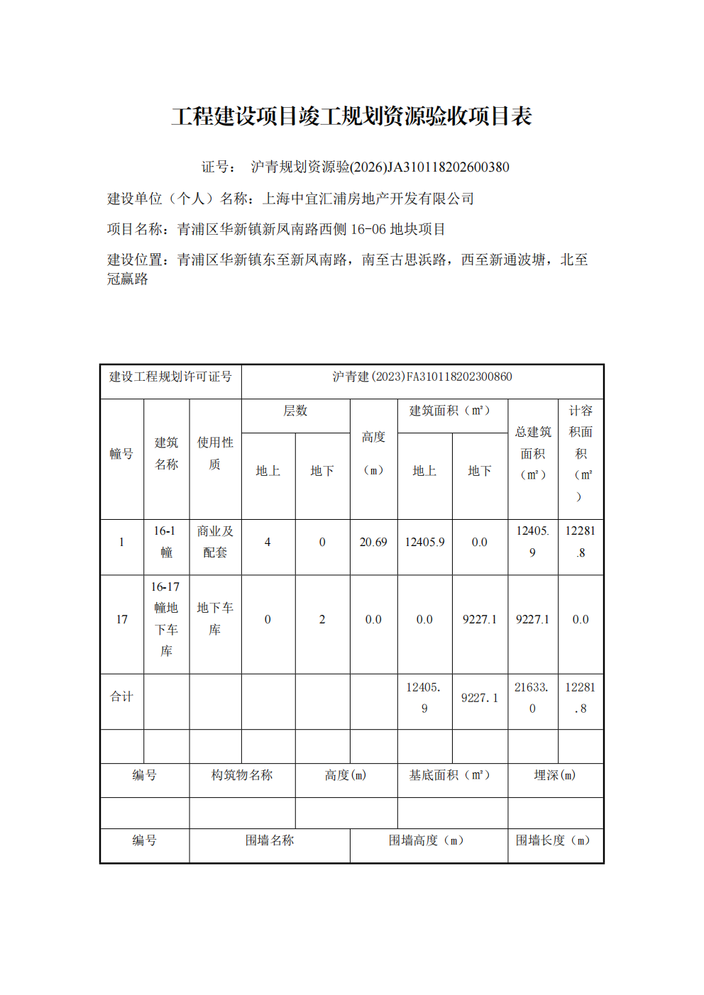
沪青规划资源验 (2026)JA310118202600380上海市工程建设项目竣工规划资源验收合格证(上海中宜汇浦房地产开发有限公司) 2026-04-02

沪青规划资源验(2026)JA310118202600380_02.png