返回上一级
字号
大
中
小
打印
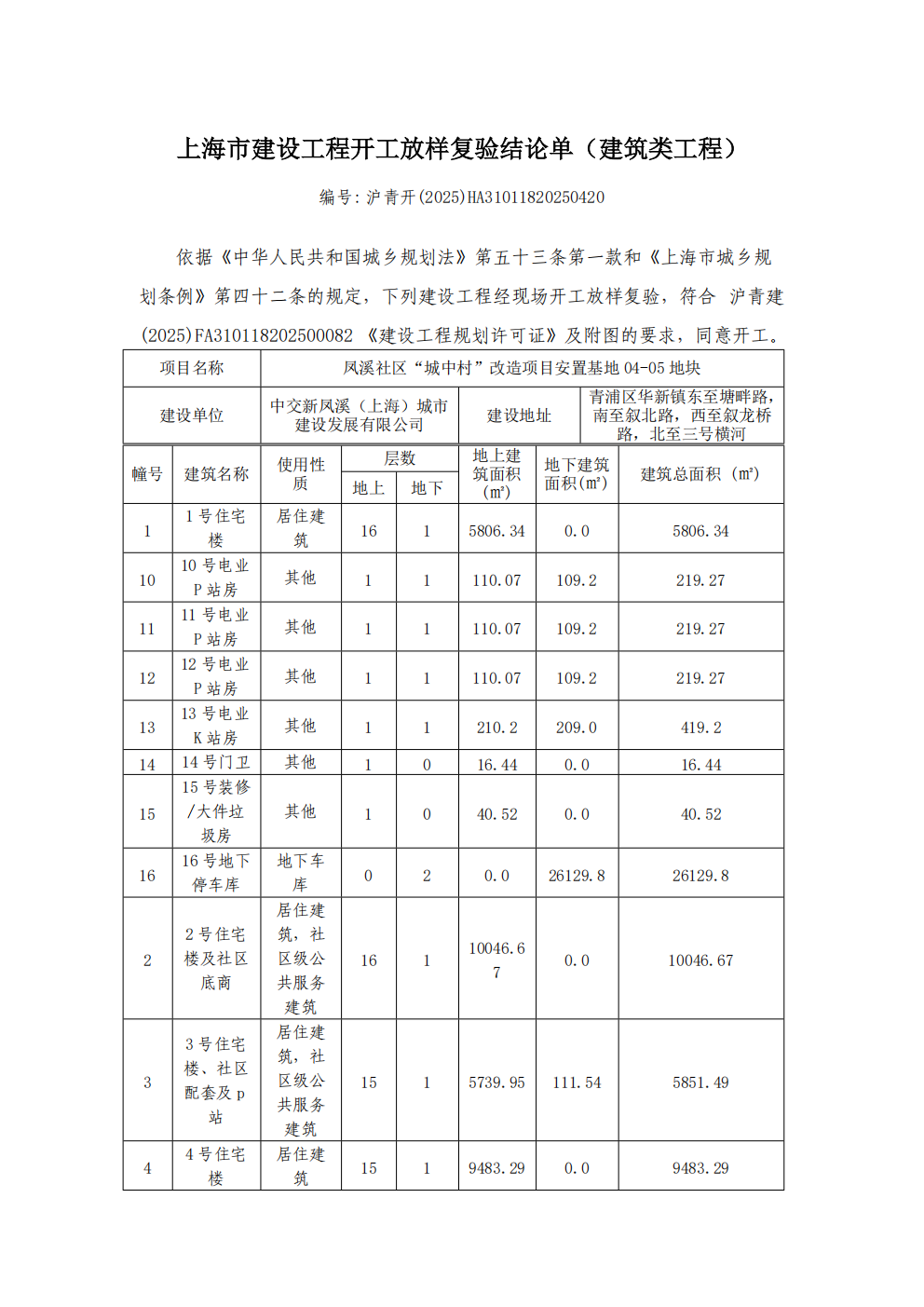
沪青开(2025)HA31011820250420上海市建设工程开工放样复验结论单(中交新凤溪(上海)城市 建设发展有限公司)
2025-10-22