返回上一级
字号
大
中
小
打印
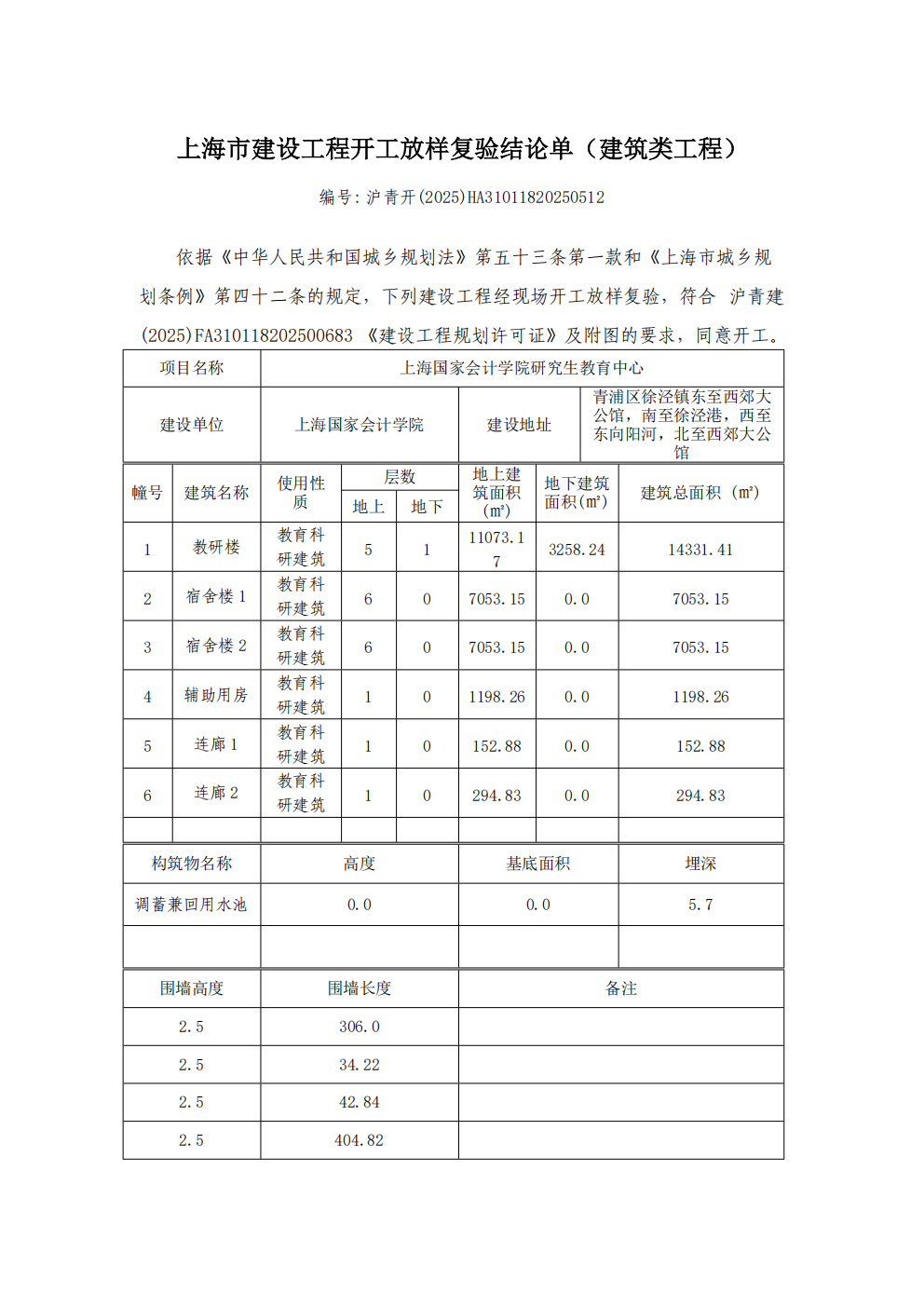
沪青开(2025)HA31011820250512上海市建设工程开工放样复验结论单(上海国家会计学院)
2025-12-26